
联系人:徐经理
电话:139 6412 8213
地址:济南市长清区大学科技园
网址:www.5devip.com
铅门磨损故障主要采取更换元件,清理尘土,注油润滑,使开关门机构动作正常。
1.1修复铅防护门控制印板
1.1.1在没有控制印板图纸的情况下,按照实物绘制整理印板原理图纸。
1.1.2原理图分析:厂家为了技术保密,已将控制印板上的四个集成电路功能块型号完全消除,这给分析工作带来极大的困难。
1.1.2.1印板外围器件控制功能、执行功能分析:启动触发由红外感应探头完成;位置信息采用磁性开关,分布在门的两端;执行元件采用变频器带动门电机完成电动开关门操作。
1.1.2.2分析印板的电源部分、定时控制部分、驱动部分、输入部分、输出部分。
图2, 220V电源经变压器变压,通过桥堆整流后,再经电容滤波和稳压,分别给L 7805和L 7812供电,L 7805输出5V直流电源,L 7812输出12V直流电源,通过两个灯提示电源电压,5V灯亮度稍暗,属正常现象。
图3,延时关门定时部分,开门到位后,气密门保持开门状态的时间由此延时线路控制,通过调整电位器可以适当调整开门状态保持时间。延时时间到,输出低电位触发信号,关门集成块接受触发信号后,触发导通控制铅防护门关门。
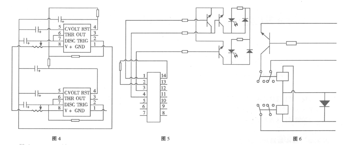
图4,控制开门和关门的触发和延时定时部分,触发信号由输入端获得,定时器集成块低电压触发导通,阻容回路完成延时定时功能,保证集成块处于导通状态,定时时间到,集成块恢复截止状态。上面的触发回路控制开门,下面的触发回路控制关门。
图5,防辐射铅门开关门驱动线路,集成块得到开门(关「1)信号后驱动开门(关门)三极管导通,再控制相应的继电器动作,完成开关门操作。开关门操作通过集成块和外围元件实现互锁,保证开门时封闭关门信号,关门时封闭开门信号。由于此集成块的型号无法辨别,分析工作存在局限性,有不妥之处请指正。
图6,信号输入部分.接收来自红外感应器、开关门到位磁开关等外围元件的信号,采用继电器做信号隔离转换后,对印板输入开门信号、开门到位信号、关门到位信号,通过信号的时序输入,完成气密门的开关门操作。

1.1.2.3综合外围器件和印板功能框架初步判断
集成块的输出点、电源点、触发点、复位点、工作点,以此来判断集成元件的型号,取得分析印板控制功能的基础信息。
1.1.2.4对于无法完全分析透彻的内容可通过上电测试来进一步分析其工作原理。上电测试要注意安全,防止触电。
1.1.3控制印板上电检查
1.1.3.1上电后首先检查电源灯,并检测电源电压。
1.1.3.2电源正常后,按照控制时序分别对印板输入端施加输入信号,观察输出信号灯,并联系印板外围器件的控制方式,对印板故障进行初步判断。
1.1.4印板故障分析判断:综合以上对印板控制功能的分析,上电后对电源、输入、输出和控制部分的初步检查,发现印板控制部分触发后无法保持触发信号,主要问题是触发工作点的延时功能失效。对照印板具体控制部分元件功能,更换起延时控制功能的相关元件。
1.1.5重新上电测试,按时序施加输入信号,观察输出信号灯,输出信号正常。铅防护门控制印板修复完毕